型号列表
(表格显示不全的话,可左右拖动查看)
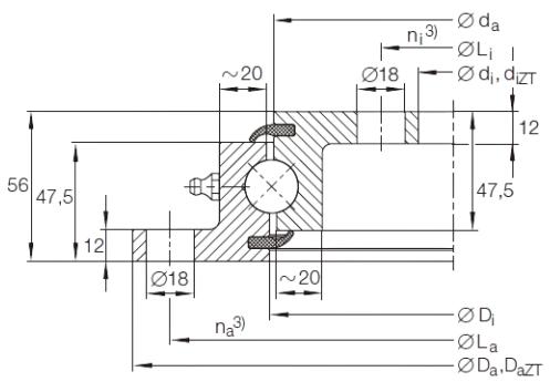
| 基本型号 | 外形尺寸/mm | 安装孔 | 重量 Kg | ||||||
| Da | di | Di | da | La | na | Li | ni | ||
| VLU200414 | 518 | 304 | 415.5 | 412.5 | 490 | 8 | 332 | 12 | 23.5 |
| VLU200544 | 648 | 434 | 545.5 | 542.5 | 620 | 10 | 462 | 14 | 31 |
| VLU200644 | 748 | 534 | 645.5 | 642.5 | 720 | 12 | 562 | 16 | 36.5 |
| VLU200744 | 848 | 634 | 745.5 | 742.5 | 820 | 12 | 662 | 16 | 42.5 |
| VLU200844 | 948 | 734 | 845.5 | 842.5 | 920 | 14 | 762 | 18 | 48 |
| VLU200944 | 1048 | 834 | 945.5 | 942.5 | 1020 | 16 | 862 | 20 | 54 |
| VLU201094 | 1198 | 984 | 1095.5 | 1092.5 | 1170 | 16 | 1012 | 20 | 62.5 |

