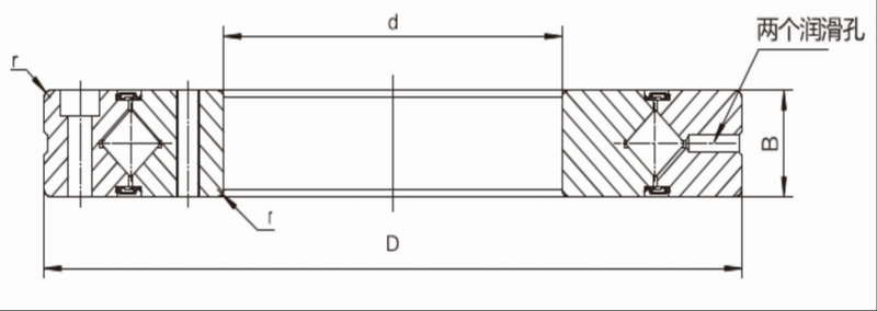
型号列表
(表格显示不全的话,可左右拖动查看)
| 公称 型号 | 主要尺寸 | 安装孔相关尺寸 | 基本额定载荷 | 重量 | ||||||
| 内径 | 外径 | 宽度 | 内圈 | 外圈 | Cr | Cor | ||||
| d | D | B | PCD1 | 安装孔 | PCD2 | 安装孔 | KN | KN | kg | |
| RU28 | 10 | 52 | 8 | 16 | 4-M3贯通 | 42 | 6-φ3.4通孔φ6.5沉孔深度3.3 | 2.9 | 2.4 | 0.12 |
| RU42 | 20 | 70 | 12 | 28 | 6-M3贯通 | 57 | 6-φ3.4通孔φ6.5沉孔深度3.3 | 7.35 | 8.35 | 0.29 |
| RU66 | 35 | 95 | 15 | 45 | 8-M4贯通 | 83 | 8-φ4.5通孔φ8沉孔深度4.4 | 17.5 | 22.3 | 0.62 |
| RU85 | 55 | 120 | 15 | 65 | 8-M5贯通 | 105 | 8-φ5.5通孔φ9.5沉孔深度5.4 | 20.3 | 29.5 | 1 |
| RU124(G) | 80 | 165 | 22 | 97 | 10-φ5.5通孔,沉孔φ9.5深5.4 | 148 | 10-φ5.5通孔,沉孔φ9.5深5.4 | 33.1 | 50.9 | 2.6 |
| RU124X | 80 | 165 | 22 | 97 | 10-M5贯通 | 148 | 10-φ5.5通孔,沉孔φ9.5深5.4 | 33.1 | 50.9 | 2.6 |
| RU148(G) | 90 | 210 | 25 | 112 | 12-φ9通孔,沉孔φ14深8.6 | 187 | 12-φ9通孔,沉孔φ14深8.6 | 49.1 | 76.8 | 4.9 |
| RU148X | 90 | 210 | 25 | 112 | 12-M8贯通 | 187 | 12-φ9通孔,沉孔φ14深8.6 | 49.1 | 76.8 | 4.9 |
| RU178(G) | 115 | 240 | 28 | 139 | 12-φ9通孔,沉孔φ14深8.6 | 217 | 12-φ9通孔,沉孔φ14深8.6 | 80.3 | 135 | 6.8 |
| RU178X | 115 | 240 | 28 | 139 | 12-M8贯通 | 217 | 12-φ9通孔,沉孔φ14深8.6 | 80.3 | 135 | 6.8 |
| RU228(G) | 160 | 295 | 35 | 184 | 12-φ11通孔,沉孔φ17.5深10.8 | 270 | 12-φ11通孔,沉孔φ17.5深10.8 | 104 | 173 | 11.4 |
| RU228X | 160 | 295 | 35 | 184 | 12-M10贯通 | 270 | 12-φ11通孔,沉孔φ17.5深10.8 | 104 | 173 | 11.4 |
| RU297(G) | 210 | 380 | 40 | 240 | 16-φ14通孔,沉孔φ20深13 | 350 | 16-φ14通孔,沉孔φ20深13 | 156 | 281 | 21.3 |
| RU297X | 210 | 380 | 40 | 240 | 16-M12贯通 | 350 | 16-φ14通孔,沉孔φ20深13 | 156 | 281 | 21.3 |
| RU445(G) | 350 | 540 | 45 | 385 | 24-φ14通孔,沉孔φ20深13 | 505 | 24-φ14通孔,沉孔φ20深13 | 222 | 473 | 35.4 |
| RU445X | 350 | 540 | 45 | 385 | 24-M12贯通 | 505 | 24-φ14通孔,沉孔φ20深13 | 222 | 473 | 35.4 |

