型号列表
(表格显示不全的话,可左右拖动查看)
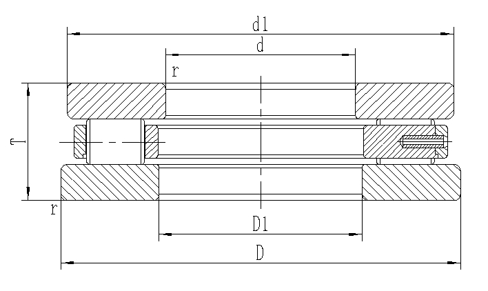
| 轴承型号 | 外形尺寸/mm | 额定负荷/KN | 重量/Kg | |||
| d | D | T | Ca | Coa | ||
| 81110 | 50 | 70 | 14 | 42.5 | 146 | 0.14 |
| 81210 | 50 | 78 | 22 | 91.5 | 300 | 0.36 |
| 81111 | 55 | 78 | 16 | 69.5 | 285 | 0.22 |
| 81211 | 55 | 90 | 25 | 116 | 365 | 0.57 |
| 81112 | 60 | 85 | 17 | 80 | 300 | 0.27 |
| 81212 | 60 | 95 | 26 | 137 | 465 | 0.64 |
| 81113 | 65 | 90 | 18 | 83 | 320 | 0.31 |
| 81213 | 65 | 100 | 27 | 140 | 490 | 0.72 |
| 81114 | 70 | 95 | 18 | 86.5 | 345 | 0.33 |
| 81214 | 70 | 105 | 27 | 146 | 530 | 0.77 |
| 81115 | 75 | 100 | 19 | 75 | 290 | 0.38 |
| 81215 | 75 | 110 | 27 | 125 | 440 | 0.81 |
| 81116 | 80 | 105 | 19 | 76.5 | 300 | 0.4 |
| 81216 | 80 | 115 | 28 | 160 | 610 | 0.9 |
| 81117 | 85 | 110 | 19 | 76.5 | 310 | 0.42 |
| 81217 | 85 | 125 | 31 | 153 | 550 | 1.3 |
| 81118 | 90 | 120 | 22 | 104 | 415 | 0.64 |
| 81218 | 90 | 135 | 35 | 232 | 865 | 1.75 |
| 81120 | 100 | 135 | 25 | 146 | 585 | 1 |
| 81220 | 100 | 150 | 38 | 224 | 830 | 2.2 |
| 81122 | 110 | 145 | 25 | 153 | 630 | 1.1 |
| 81222 | 110 | 160 | 38 | 240 | 915 | 2.45 |
| 81124 | 120 | 155 | 25 | 160 | 680 | 1.15 |
| 81224 | 120 | 170 | 39 | 245 | 965 | 2.7 |
| 81126 | 130 | 170 | 30 | 183 | 780 | 1.7 |
| 81226 | 130 | 190 | 45 | 335 | 1250 | 4.2 |
| 81128 | 140 | 180 | 31 | 193 | 850 | 1.95 |
| 81228 | 140 | 200 | 46 | 360 | 1400 | 4.55 |
| 81130 | 150 | 190 | 31 | 200 | 900 | 2.05 |
| 81230 | 150 | 215 | 50 | 465 | 1900 | 5.9 |
| 81132 | 160 | 200 | 31 | 204 | 965 | 2.2 |
| 81232 | 160 | 225 | 51 | 480 | 2000 | 6.2 |
| 81134 | 170 | 215 | 34 | 260 | 1180 | 2.95 |
| 81234 | 170 | 240 | 55 | 540 | 2280 | 7.7 |
| 81136 | 180 | 225 | 34 | 270 | 1270 | 3.05 |
| 81236 | 180 | 250 | 56 | 550 | 2400 | 8.25 |
| 81138 | 190 | 240 | 37 | 310 | 1460 | 3.85 |
| 81238 | 190 | 270 | 62 | 695 | 2900 | 10.5 |
| 81140 | 200 | 250 | 37 | 310 | 1500 | 4 |
| 81240 | 200 | 280 | 62 | 720 | 3100 | 12 |
| 81144 | 220 | 270 | 37 | 335 | 1700 | 4.5 |
| 81244 | 220 | 300 | 63 | 750 | 3350 | 13 |
| 81148 | 240 | 300 | 45 | 475 | 2450 | 7.25 |
| 81248 | 240 | 340 | 78 | 1100 | 4900 | 22 |
| 81152 | 260 | 320 | 45 | 490 | 2600 | 7.85 |
| 81252 | 260 | 360 | 79 | 1140 | 5300 | 24 |
| 81156 | 280 | 350 | 53 | 680 | 3550 | 10.5 |
| 81256 | 280 | 380 | 80 | 1160 | 5500 | 24 |
| 81160 | 300 | 380 | 62 | 850 | 4400 | 16.5 |
| 81260 | 300 | 420 | 95 | 1530 | 7200 | 40.5 |
| 81164 | 320 | 400 | 63 | 880 | 4650 | 18 |
| 81264 | 320 | 440 | 95 | 1560 | 7500 | 42.5 |
| 81168 | 340 | 420 | 64 | 900 | 4900 | 19.5 |
| 81268 | 340 | 460 | 96 | 1630 | 8000 | 47 |
| 81172 | 360 | 440 | 65 | 915 | 5000 | 19.5 |
| 81272 | 360 | 500 | 110 | 2160 | 10400 | 65.5 |
| 81176 | 380 | 460 | 65 | 930 | 5300 | 22 |
| 81276 | 380 | 520 | 112 | 2200 | 10800 | 70 |
| 81180 | 400 | 480 | 65 | 965 | 5600 | 23 |
| 81280 | 400 | 540 | 112 | 2240 | 11200 | 73 |
| 81184 | 420 | 500 | 65 | 980 | 5850 | 24 |
| 81284 | 420 | 580 | 130 | 2850 | 14000 | 95.5 |
| 81188 | 440 | 540 | 80 | 1430 | 8000 | 39.5 |
| 81288 | 440 | 600 | 130 | 2900 | 14600 | 110 |
| 81192 | 460 | 560 | 80 | 1460 | 8500 | 41 |
| 81292 | 460 | 620 | 130 | 3000 | 15300 | 118 |
| 81196 | 480 | 580 | 80 | 1460 | 8650 | 43 |
| 81296 | 480 | 650 | 135 | 3350 | 17000 | 128 |
| 811/500 | 500 | 600 | 80 | 1530 | 9150 | 44 |
| 812/500 | 500 | 670 | 135 | 3400 | 17600 | 133 |
| 811/530 | 530 | 640 | 85 | 1700 | 10400 | 55.5 |
| 812/530 | 530 | 710 | 140 | 3800 | 20000 | 154 |
| 811/560 | 560 | 670 | 85 | 1760 | 10800 | 58 |
| 812/560 | 560 | 750 | 150 | 3900 | 20800 | 187 |
| 811/600 | 600 | 710 | 85 | 1760 | 11200 | 62 |
| 812/600 | 600 | 800 | 160 | 4400 | 24000 | 240 |
| 811/630 | 630 | 750 | 95 | 2160 | 13700 | 80 |
| 812/630 | 630 | 850 | 175 | 4800 | 26000 | 295 |
| 811/670 | 670 | 800 | 105 | 2550 | 16300 | 110 |
| 812/670 | 670 | 900 | 180 | 5700 | 30500 | 335 |
| 811/800 | 800 | 950 | 120 | 3450 | 22000 | 165 |
| 811/900 | 900 | 1060 | 130 | 4000 | 27000 | 210 |
| 811/1060 | 1060 | 1250 | 150 | 5300 | 36500 | 225 |
| 811/1120 | 1120 | 1320 | 160 | 6000 | 41500 | 410 |

