淘宝店铺

官方咨询热线:
157-9327-4641

精密转盘轴承

专注精密传动,助推国产替代
当前位置:首页 > 产品中心 > 精密转盘轴承

产品中心Product

精密转盘轴承

VA-VI四点接触球转盘轴承

分类:精密转盘轴承

卖点:带外齿型,标准设计,支持非标订制

优势:能同时承受轴向力、径向力和倾覆力矩

产品特性:带安装孔,安装方便,旋转灵活,低摩擦力矩。

联系电话:157-9327-4641(微信同号) 在线留言联系我们

型号列表

(表格显示不全的话,可左右拖动查看)

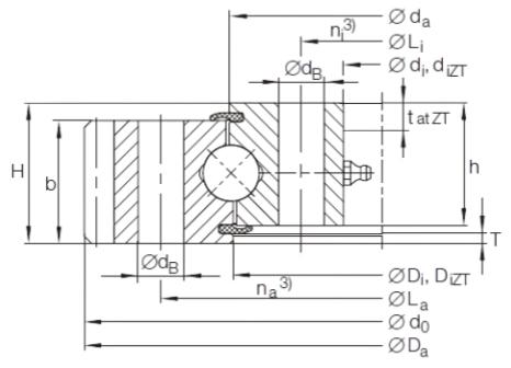
基本型号外形尺寸/mm安装孔齿参数重量/kg
DadiHhLana Lini dBmzb
VA140188V259.3613535302221615416-462267.5
VA160235N318.617140352751219512134783513
VA160302N38423832303432026220-4943014
VA250309N408.42356052.535924259241358052.529.5
VI160288N3402163934324202522094563412
VI140326V38225059-36282908-3.5734018
VI160420N48633239344621637816144853423
157-9327-4641