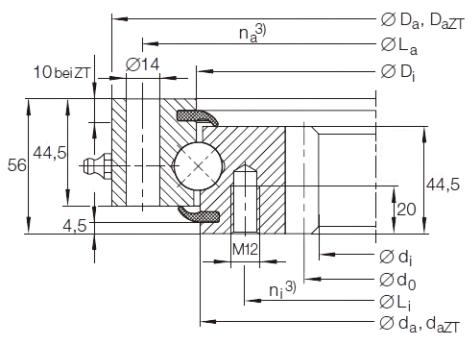
型号列表
(表格显示不全的话,可左右拖动查看)
| 基本型号 | 外形尺寸/mm | 安装孔 | 齿参数 | 重量/kg | |||||||
| Da | di | Di | da | La | na /nB | Li | ni /nB | m | z | ||
| VSI200414 | 486 | 325 | 415.5 | 412.5 | 460 | 24 | 375 | 24 | 5 | 67 | 31 |
| VSI200544 | 616 | 444 | 545.5 | 542.5 | 590 | 32 | 505 | 32 | 6 | 76 | 42 |
| VSI200644 | 716 | 546 | 645.5 | 642.5 | 690 | 36 | 605 | 36 | 6 | 93 | 50 |
| VSI200744 | 816 | 648 | 745.5 | 742.5 | 790 | 40 | 705 | 40 | 6 | 110 | 58 |
| VSI200844 | 916 | 736 | 845.5 | 842.5 | 890 | 40 | 805 | 40 | 8 | 94 | 69 |
| VSI200944 | 1016 | 840 | 945.5 | 942.5 | 990 | 44 | 905 | 44 | 8 | 107 | 76 |
| VSI201094 | 1166 | 984 | 1095.5 | 1092.5 | 1140 | 48 | 1055 | 48 | 8 | 125 | 91 |
| VSI250755 | 855 | 610 | 753 | 757 | 815 | 24 | 694 | 24 | 10 | 63 | 119 |
| VSI250855 | 955 | 710 | 853 | 857 | 915 | 28 | 794 | 28 | 10 | 73 | 137 |
| VSI250955 | 1055 | 810 | 953 | 957 | 1015 | 30 | 894 | 30 | 10 | 83 | 149 |
| VSI251055 | 1155 | 910 | 1053 | 1057 | 1115 | 30 | 994 | 30 | 10 | 93 | 165 |

