淘宝店铺

官方咨询热线:
157-9327-4641

CSG(CSF)系列

专注精密传动,助推国产替代
当前位置:首页 > 产品中心 > 减速器专用轴承 > CSG(CSF)系列

产品中心Product

CSG(CSF)系列

CSG(CSF)系列

分类:CSG(CSF)系列

卖点:高精度,高承载,高刚性,支持非标定制

优势:能同时承受轴向力、径向力和倾覆力矩

产品特性:安装方便,旋转灵活,力矩一致。

联系电话:157-9327-4641(微信同号) 在线留言联系我们

型号列表

(表格显示不全的话,可左右拖动查看)

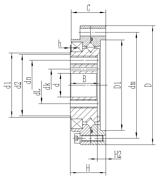
轴承型号外形尺寸/mm重量/Kg
dDHCBH2D1d1d2
CSG(CSF)-14115516.51613.5441.829.828.40.21
CSG(CSF)-14K115516.51613.5441.829.828.40.21
CSG(CSF)-17106216.51613.54493633.80.25
CSG(CSF)-20147016.51613.54.556.542.8400.3
CSG(CSF)-25208518.51816.53.56755.352.60.5
CSG(CSF)-322611222.521.5194.5907468.61.1
CSG(CSF)-4032(24)1262422.521.54.51058681.21.5
CSG(CSF)-4532(25)147272623612110397.62.3
CSG(CSF)-5040(32)1573130285131.6108102.63
CSG(CSF)-6552(44)2103937357176138132.68
外圈安装孔内圈安装孔内圈定位孔径向额定载荷/KN轴承型号
中心径dm安装孔中心径dn安装孔中心径dL安装孔中心径dk安装孔CrCor
498-φ3.5236-M4176-M4153-φ34.76.7CSG(CSF)-14
498-φ3.5236-M4176-M4153-φ2.54.76.7CSG(CSF)-14K
5610-φ3.5276-M5196-M5153-φ35.37.5CSG(CSF)-17
6412-φ3.5328-M6248-M5194-φ35.89CSG(CSF)-20
7916-φ3.5428-M8308-M6264-φ39.615.1CSG(CSF)-25
10416-φ4.5558-M10408-M8344-φ51525CSG(CSF)-32
11720-φ4.5688-M10508-M10424-φ521.336.5CSG(CSF)-40
13716-φ5.5828-M12548-M12604-φ52342.6CSG(CSF)-45
14716-φ5.5848-M14608-M14504-φ534.860.2CSG(CSF)-50
19820-φ6.61108-M16808-M16644-φ655.6103CSG(CSF)-65




157-9327-4641